Download-Center
Lilie-Pumpen Umbau (Relais / Mikroschalter)
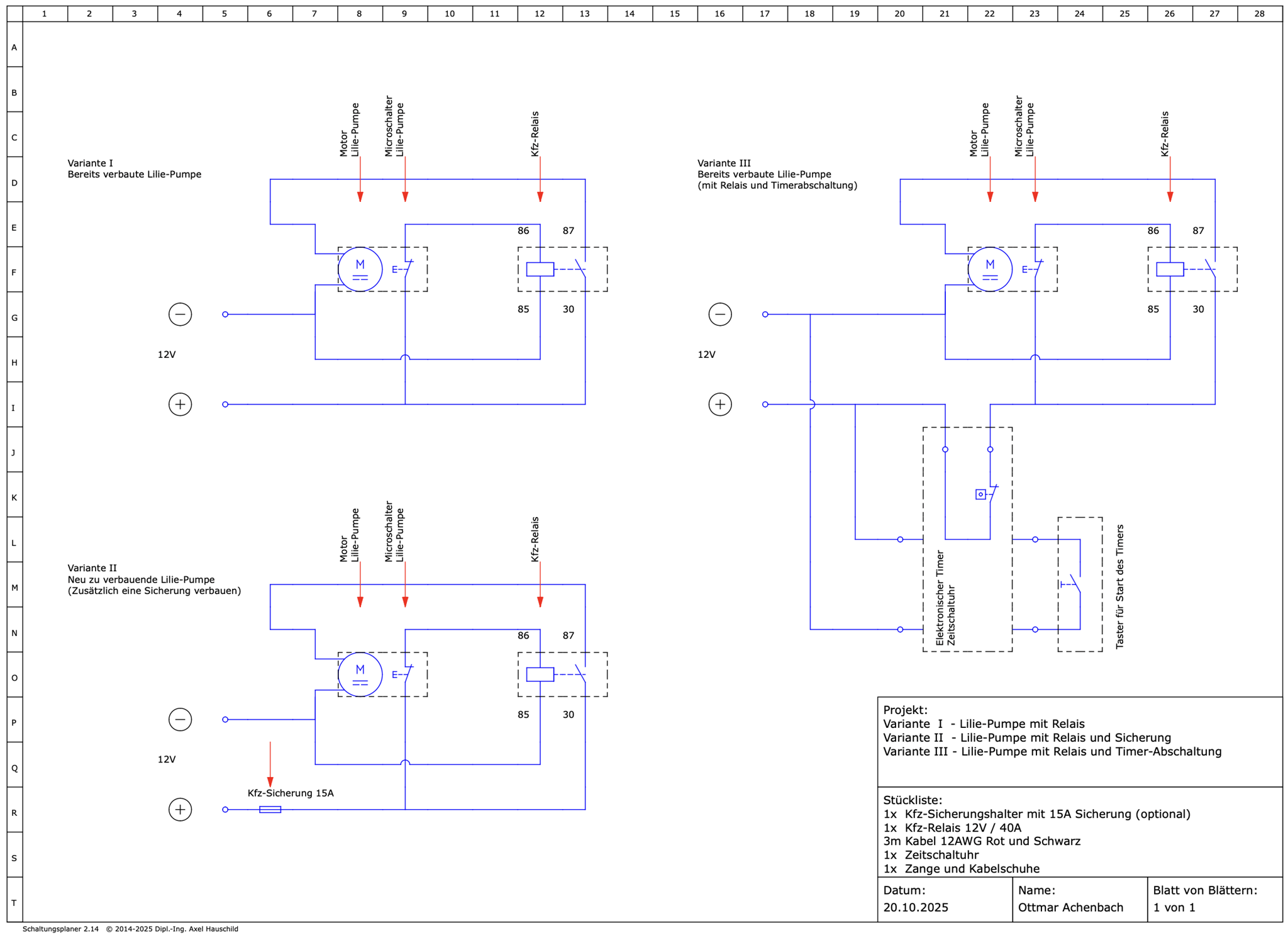
PROBLEM
Wir hatten immer wieder Probleme mit unserer Lilie-Pumpe. Es fühlte sich an wie ein Wackelkontakt an dem Druckschalter der Pumpe.
Letztendlich sind wir irgendwann darauf gekommen, dass die Kontakte des Microschalters verbrennen. Der Einschaltstrom der Lilie-Pumpe übersteigt oft die Leistung des Microschalters.
LÖSUNG
Wir haben ein 40A Kfz-Relais, zum schalten des hohen Stroms am Motor dazwischen geschaltet.
Nun muss der Microschalter nur noch weniger als 200mA Strom des Relais schalten und wird so deutlich länger halten. Der hohe Einschalt- und Betriebsstrom der Lilie-Pumpe wird nun von dem Relais übernommen.
Den Schaltplan und die Skizze dazu haben wir als Download hier für Dich hinterlegt.
Viel Spaß beim Umbau.
Stückliste für den Lilie-Pumpen Umbau
Hier findest Du alle benötigten Teile für den Lilie-Pumpen-Umbau.
HINWEIS: Die Relais sind jeweils im 2er-Set, weil sie kostengünstiger sind und somit hast Du gleich ein Ersatz dabei. Diese Relais werden im gesamten Fahrzeug verbaut und können so beliebig von Dir genutzt werden.
Die Teile kannst Du Dir über unsere Bild-Links direkt bei Amazon bestellen!
Lilie-Pumpen Umbau (Timer/Zeitschaltuhr)
PROBLEM
Wir haben nicht selten vergessen unsere Lilie-Pumpe, beim Verlassen des HEROs (BIMOBIL) auszuschalten. Die Pumpe sorgt für einen anhaltenden Druck von 2,1 Bar im Frischwassertank. Die Problematik ist, wenn es ein Leck (Undichtigkeit) in der Wasserversorgung gibt, wird die Pumpe den gesamten Tankinhalt in unser Fahrzeug pumpen, da sie versucht den Druck von 2,1 Bar herzustellen.
LÖSUNG
Wir haben eine (Zeitschaltuhr) in die Spannungsversorgung der Lilie-Pumpe verbaut. Wir haben eine Zeit von 10 Minuten eingestellt, somit wird die Spannungsversorgung automatisch nach der Vorgegeben Zeit abgeschaltet.
Seit dieser Zeit geht es uns deutlich besser, nachdem wir unser Fahrzeug verlassen haben.
Den Schaltplan und die Skizze dazu, werden wir als Download hier für Dich hinterlegen.
Wir haben schon einige Fahrzeuge Umgerüstet, falls Du unsere Hilfe benötigst, melde Dich bei uns.
Schon bald werden wir einen konfektionierten Kabelbaum, auf unserer Website zum Kauf anbieten, sowohl die Relais-Version wie auch die Zeitschaltuhr-Version in Kombination mit dem Relais.







